Kontakt

III SOKO s.r.o.
Zemědělské náhradní díly
Agriculture spare parts

Zlínská 1229, Vizovice (ČR)
Email: soko@volny.cz

(+420) 577 452 276
(+420) 604 974 244
(+420) 733 133 744

(+420) 737 268 235 (English)
(+420) 603 243 345 (Русски)

FAX: (+420) 577 901 777

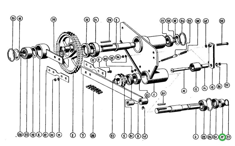
Kroužek

Kladka pro rozmetadlo RUR 5.

Jiná katalog. č.: 09520202

Změna cen vyhrazena !

 

253 Kč bez DPH 306 Kč s DPH


Poradit s výběrem dílu

  • Objednací číslo: 5004.17
  • Katalogové číslo: 095202022
  • Hmotnost: 0,20 kg
  • Materiál: Kov
Víčko I

Víčko I

5004.19 (038472282)

Víčko I pro rozmetadlo chlévské mrvy RUR-5. Jiná katalog. č.: 03847228

100 Kč bez DPH
121 Kč s DPH
6208 - Jednořadé kuličkové ložisko

6208 - Jednořadé kuličkové ...

5004.23 (1110620800)

Jednořadé kuličkové ložisko 6208 - ložisko kuličkové jednořadé je velmi univerzální ložisko. Má jednoduchou konstrukci, je nerozebíratelné, může ...

90 Kč bez DPH
109 Kč s DPH
Pojistný kroužek SH 40 (na hřídel)

Pojistný kroužek SH 40 (na ...

5004.27 (9964917264)

Pojistný kroužek SH 40 (na hřídel) pro rozmetadlo RUR-5 (katalogové číslo: 7330000400). Kompatibilní s rozmetadly RU-5, RUR-55, RMA-8; ...

10 Kč bez DPH
12 Kč s DPH